CubCadet spares
Home
Spares
Battery mower
Lawn Edger
Electric mower
Electric mower self propelled
Garden tractors
Lawn tractors
Leaf blower, Blower vac
Petrol mower
Petrol mower self propelled
Petrol verticutter
Snow throwers
String trimmer
Tillers
My account
Login
News
Contact us
Search by Model Number
Search by Part Number
Model and Serial Numbers
Click here for guide
Home
YARD-MAN Spares
Petrol mower
ym-5018-px
11A-X68D643 (2001)
List
Grid
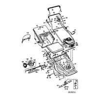
11A-X68D643 (2001)
MTD008203
Basic machine
MTD008006
Front wheels, Cutting hight adjustment