Search by Model Number

Search by Part Number

Model and Serial Numbers

Click here for guide

MTD008349

Assembly drawing

Please use your mouse to zoom in and out for more detailed view

MTD008349

Parts list

Match the number with the image on the left and click "Add" button to add the item to your basket

Please note, that the prices are for individual items

Items might appear more than once on the drawing, please check and adjust the quantity you require.

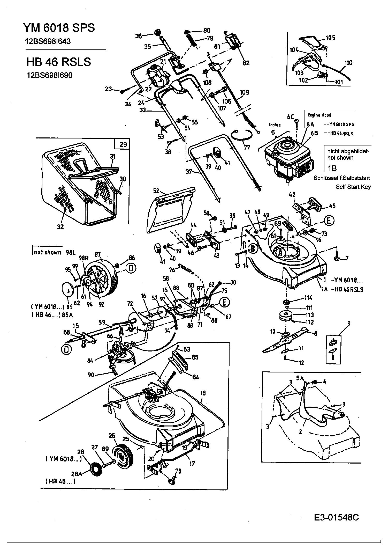
Ref No Description Price
001 682-0270665 NO LONGER AVAILABLE N/A POA
002 731-1633C BAFFLE £27.72 Add
003 710-1704 SCR:TORX:M6x20 WN 1452 £4.62 Add
004 712-0400 U NUT £5.75 Add
005 710-1388 SCREW £3.23 Add
006 752B1792B1 B&S ENGINE N/A POA
007 710-0654A SCR:TTSEMS:3/8-16:1.000:HXLWSH £5.10 Add
008 742-0818 BLADE £45.38 Add
009 811-00248 BLADE LOCK ADAPTER-KIT £40.38 Add
010 748-0376E BLADE ADAPTOR £26.64 Add
011 736-0524B SPR BLADE BELL £8.61 Add
012 710-1044 HEX BLOT 3/8-24 X 1.5 INCHS LONG £4.74 Add
013 710-0623 SCR:TT:3/8-16:.750 HXINDWSH £6.30 Add
014 750-0736 SPACER .383IDx.50OD x.18LG £3.07 Add
015 741-0324A BEARING £5.54 Add
016 741-0522 HEX FLANGE BEARING £4.65 Add
017 638-0050637 FRONT AXLE £58.36 Add
018 747-0914 ROD-LIFT INDEX £18.48 Add
019 714-0507 COTTER PIN 3/32 DIA £3.13 Add
01A 682-0270650 NO LONGER AVAILABLE N/A POA
01B BS-695951 KEY SAFETY £27.88 Add
020 710-0599 HEX TT SCREW 1/4-20 £4.95 Add
021 731-2532 CVR:CONT:LH:SELF STARTER £10.03 Add
022 731-2533 CVR:CONT:RH:SELF STARTER £10.03 Add
023 710-1256 SCR:HL:#8-18:1.250:PANPHI £8.53 Add
024 720-0347637 FOAM GRIP £12.60 Add
025 736-0105 BELL WASHER £3.33 Add
026 734-1980 WHEEL £38.31 Add
027 738-0102 SHOULDER BOLT £7.13 Add
028 731-1426A HUBCP:WHL:RADIAL SPOKE YELLOW 731-1426 N/A POA
029 812-00959 GRASS CATCHER CPL. (OBSOLETE) (OBSOLETE) £138.62 Add
030 647-0079637 GRASS CATCH. FRAME £57.16 Add
031 747-2029637 (GRASFANGSACKGESTELL) £11.55 Add
032 764-0533 GRASS CATCHER TISSUE £179.90 Add
033 749-1315637 UPPER HANDLE £21.56 Add
034 647-0070637 BAIL £23.00 Add
035 715-0168 KIT-DETENT SPRING £29.73 Add
036 720-0428 KNOB £4.70 Add
037 749-1212637 NO LONGER AVAILABLE N/A POA
038 710-1719 BOLT £4.89 Add
039 736-0700 FLAT WASHER £2.63 Add
040 736-0689 L-WASHER £3.26 Add
041 720-0368 WING NUT £5.19 Add
042 782-3085637 HANDLE BRKT. L.H. £17.46 Add
043 782-3084637 HANDLE BRKT. R.H. £16.56 Add
044 731-2185A BRKT:HNDL:RH £9.47 Add
045 731-2186A BRACKET £9.47 Add
046 710-1780 Screw 22.3419.24 £2.98 Add
047 736-0700 FLAT WASHER £2.63 Add
048 736-0708 Lockwasher 24.8190.18 £2.72 Add
049 712-0690 NUT:HEX:M8-1.25 DIN 934 £2.72 Add
050 000.02.469 SCREW (RED) £3.20 Add
051 748-04036 INSULATING WASHER 079.06.307 £4.50 Add
052 731-2181637 DEFLECTOR £24.68 Add
053 782-7627A EYE BOLT £6.28 Add
054 736-0668 WASHER £2.23 Add
055 712-0691 HEX NUT M6 DIN 985 £2.66 Add
057 638-0002B AXLE £67.32 Add
058 682-7516637 COVER ASSY-CHAIN £56.91 Add
059 682-7517637 REAR AXLE £91.43 Add
060 750-0289 SPACER £10.42 Add
061 736-0270 BELL WASHER £3.91 Add
062 710-0751 BOLT 069 £3.39 Add
063 710-1017 TAP SCREW £2.97 Add
064 721-0216 SEAL-HGT ADJ £8.82 Add
065 17323 PLATE-HGT ADJ £9.86 Add
066 750-0589 SPACER £5.50 Add
067 750-0624 SPCR:SHLDR:.387IDx.50ODx1.50LG £13.43 Add
068 750-0664 SPACER £3.90 Add
069 710-0778 HEX WASHER HEAD SCREW £3.20 Add
06A 731-1402B NO LONGER AVAILABLE N/A POA
06B 731-1397A SHROUD GRAY £36.08 Add
06C 710-1256 SCR:HL:#8-18:1.250:PANPHI £8.53 Add
070 720-0223 GRIP £11.48 Add
071 711-0805 PIN:SHLD:3/8-24 x 1.43 LG £7.82 Add
072 712-0262 NUT:JAMLK:3/8-24:GR2 £12.97 Add
073 712-0296 NUT:JAMLK:3/8-24 £3.59 Add
074 713-0443 CHAIN-ENDLESS £10.65 Add
075 732-0580 NO LONGER AVAILABLE N/A POA
076 732-0740 SPR.EXTN: .73 OD X 4.28 LG £12.75 Add
077 726-0240 TIE:CBL:3/16:7.0 LG £4.13 Add
078 732-0906 AXLE SPRING £11.74 Add
079 732-1171 COMPR. SPRING:.360x.040 £3.20 Add
080 716-0209 RING:RET:5103-25 £19.48 Add
081 782-0156 FORK,LIFT £5.41 Add
082 732-1172 TORSION SPRING £4.11 Add
084 618-0136 TRANSMISSION £198.26 Add
085 731-1426A HUBCP:WHL:RADIAL SPOKE YELLOW 731-1426 N/A POA
086 712-0414 WELD NUT 1/4-20 THREAD £3.77 Add
087 734-1978 WHEEL 8 X 2" £35.46 Add
088 710-0653 HEX SCREW, 1/4-20 X 3/8" £4.22 Add
089 736-0504 WAVE WASHER £2.84 Add
090 754-0327 V-BELT £24.28 Add
092 16855 PAWL PLATE £8.97 Add
094 748-0318 RATCHET WHEEL £12.29 Add
095 738-0137A BOLT £8.58 Add
096 736-0105 BELL WASHER £3.33 Add
097 736-0160 WASH:FLAT:.530x.930x.050 £3.39 Add
099 10622B NYLON SPRING £5.07 Add
100 746-1039 CABLE £21.27 Add
101 710-0841 SCREW £4.89 Add
102 731-1059 CABLE MOUNTING CAP £8.97 Add
103 731-1058 NO LONGER AVAILABLE N/A POA
104 731-0620A LEVER £13.21 Add
105 731-1057 NO LONGER AVAILABLE N/A POA
106 710-0501 HHCS:1/4-20:2.0:GR5:STD £3.91 Add
107 736-0451 WASHER SADDLE £3.44 Add
108 712-0324 HEX. INS L NUT £3.69 Add
109 746-1141 CBL:CONT:58.25" SS £50.44 Add
111 25.5239.09 DISC SPRING £4.36 Add
112 710-1769 THREADED PIN £2.97 Add
113 756-0554A 2.62 DIA PULLEY £70.01 Add
114 750-0968 NO LONGER AVAILABLE N/A POA
28A 720-0249 HUB CAP £4.89 Add
85A 720-0249 HUB CAP £4.89 Add
98L 748-0188B PAWL LH £11.45 Add
98R 748-0381 PAWL RH £10.30 Add