Search by Model Number

Search by Part Number

Model and Serial Numbers

Click here for guide

MTD009158

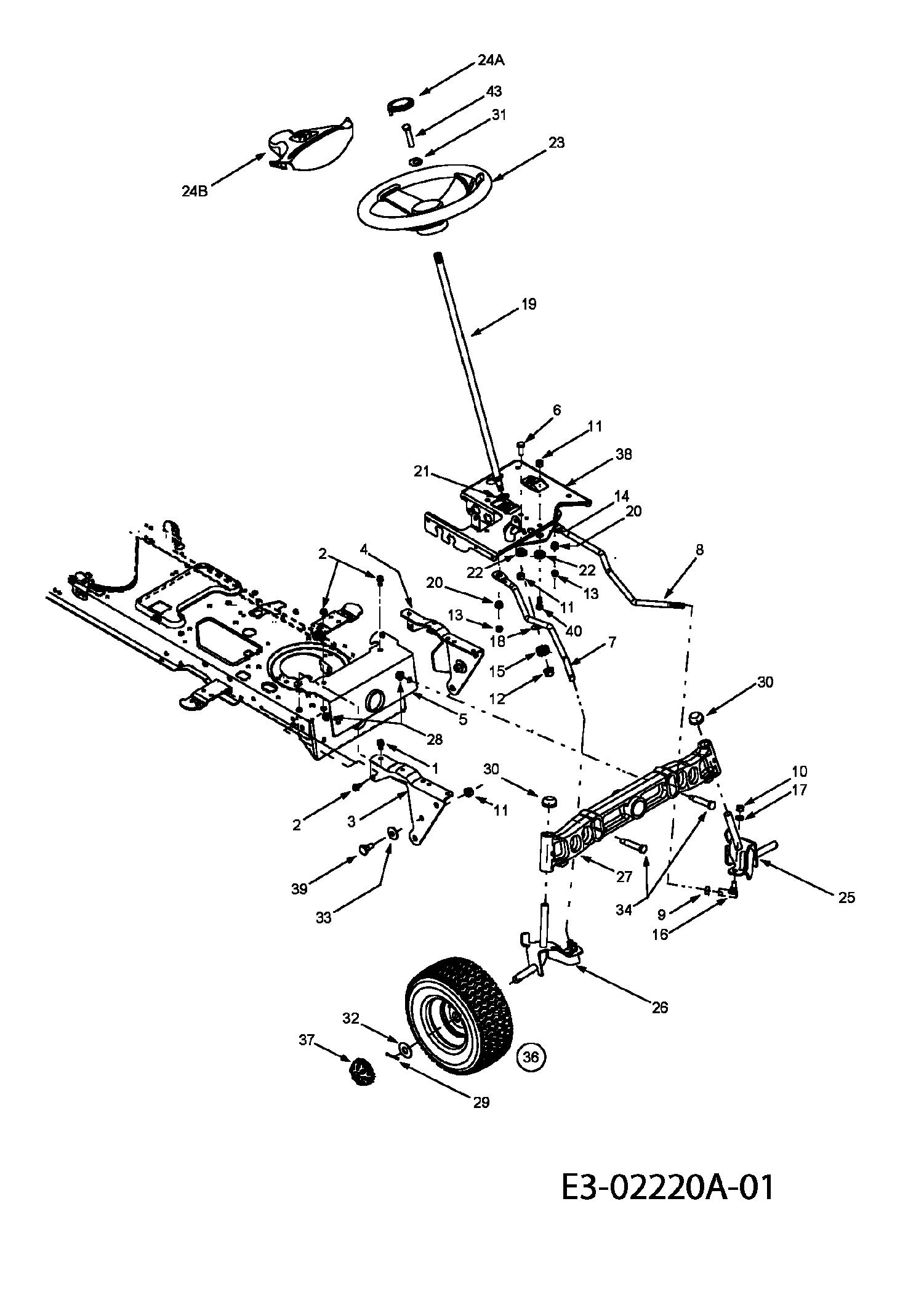
Assembly drawing

Please use your mouse to zoom in and out for more detailed view

MTD009158

Parts list

Match the number with the image on the left and click "Add" button to add the item to your basket

Please note, that the prices are for individual items

Items might appear more than once on the drawing, please check and adjust the quantity you require.

Ref No Description Price
001 710-1260A SCREW £4.00 Add
002 710-0604A SCREW £3.62 Add
003 783-0726D637 BRKT:PIVOT:SUPT RH 783-0726C £74.46 Add
004 783-0727A BRACKET-LH PIVOT SUPPORT N/A POA
005 783-0728B637 BRKT:PIVOT:BAR 783-0728B £47.01 Add
006 710-0514 HEX BOLT £3.81 Add
007 711-1408 rod, rh mounting £20.16 Add
008 711-1409A LINK:DRAG:LH £53.28 Add
009 712-0240 NUT £3.62 Add
010 712-0241 HEX NUT 3/8-24 £2.79 Add
011 712-04065 NUT £4.02 Add
012 712-0459 LOCK NUT £4.59 Add
013 712-0429 NUT HEX.INS L NUT £4.92 Add
014 717-1550F GEAR:STRG:11/90 RATIO £104.83 Add
015 717-1554 PINION GEAR £11.85 Add
016 723-0448A BALL JOINT ASSY £24.61 Add
017 736-0169 L. WASHER £2.89 Add
018 736-3084 WASHER FLAT £3.77 Add
019 738-1001A SHAFT-STEERING .625ODX24.25 LG £108.18 Add
020 741-0475 PLASTIC BUSHING .38 INCH ID £4.74 Add
021 741-0656A METAL FLANGE BEARING £5.76 Add
022 738-0372B COLLAR £5.64 Add
023 631-04028 WHL ASS:STRG:3 SPOKE STD GRIP £42.96 Add
025 638-04006 AXLE ASSY. LH £83.30 Add
026 638-04005 AXLE ASSY.RH.750 DIA. £78.73 Add
027 719-0525C AXLE;PIVOT:BAR CAST .750 N/A POA
028 712-04065 NUT £4.02 Add
029 714-0162 COTTER PIN £2.79 Add
030 726-0341 CAP £4.89 Add
031 736-0242 BELL WASHER £3.72 Add
032 736-0316 WASHER £5.97 Add
033 736-0331 BELL WASHER £3.95 Add
034 738-1011A SHOULDER BOLT £6.58 Add
035 710-0643 BOLT £3.85 Add
036 634-04087 N/A POA
037 734-2290A N/A POA
038 783-0653G N/A POA
039 738-0143 SHOULDER BOLT £12.24 Add
040 710-04095 SCREW HEX CAP £8.34 Add
23A 631-04008 WHL ASM:STRG:3 SPOKE SOFTGRIP £48.72 Add
24A 731-04040 CAP:SPRIGG:SMALL £4.77 Add
24B 731-04065 CVR:WHL:STRG MTD £23.13 Add
36A 634-04081 RIM ASM:6.0x4.5:PLS BRG 1.0 ID (OBSOLETE) N/A
36B 734-0255 VALVE - TUBELESS AIR £7.02 Add
36C 734-04040 N/A POA