Search by Model Number

Search by Part Number

Model and Serial Numbers

Click here for guide

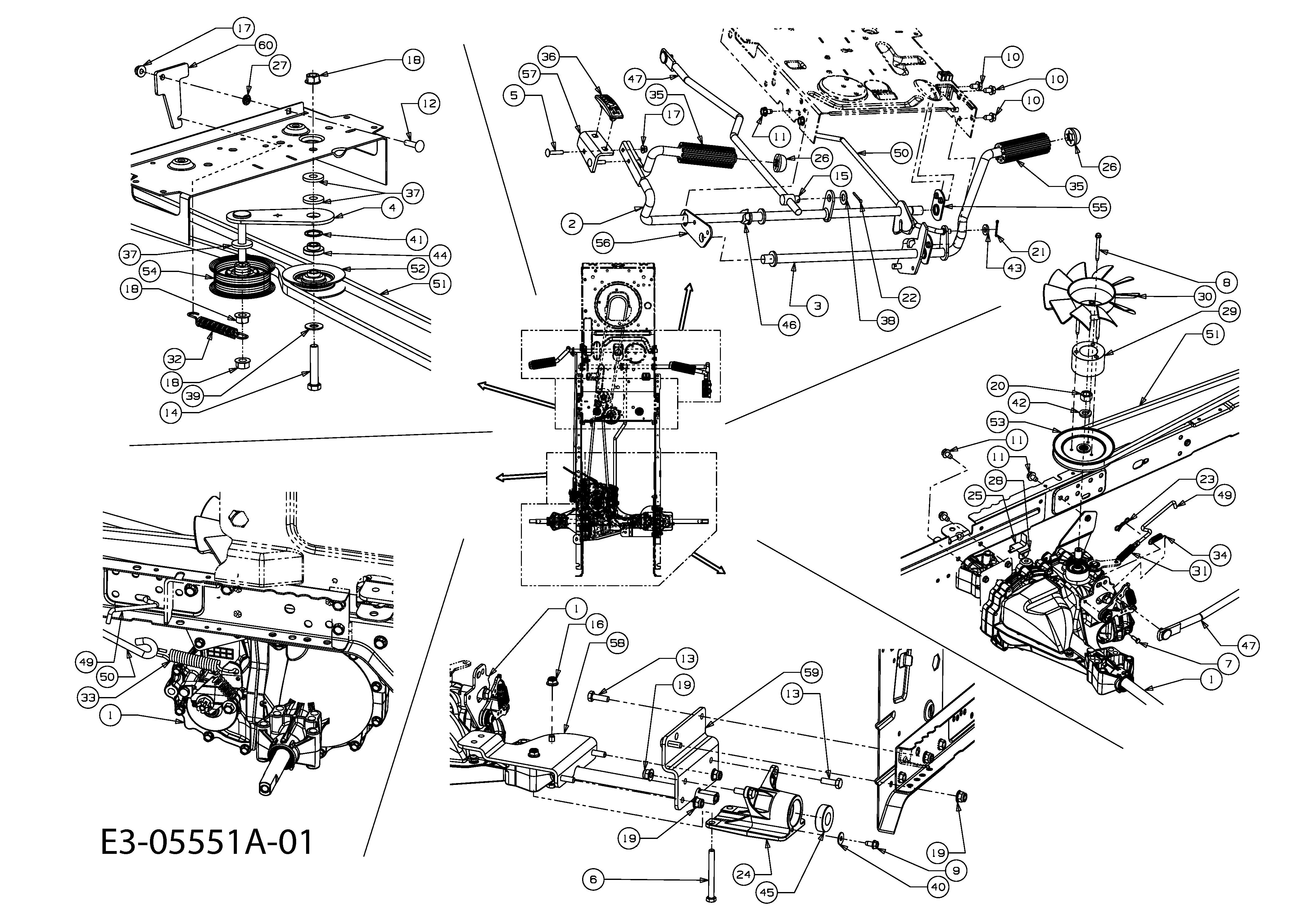
MTD012757

Assembly drawing

Please use your mouse to zoom in and out for more detailed view

MTD012757

Parts list

Match the number with the image on the left and click "Add" button to add the item to your basket

Please note, that the prices are for individual items

Items might appear more than once on the drawing, please check and adjust the quantity you require.

Ref No Description Price
001 618-04911 TRANS:HYDRO:HG T2:700 £1,068.48 Add
002 647-04198 ROD ASM:PED:HYDRO HG T2 700 N/A POA
003 647-04215 ROD ASM N/A POA
004 683-0604A-Z BRKT ASM:IDLR:DBL 683-0604A £16.61 Add
005 710-0111 NO LONGER AVAILABLE N/A POA
006 710-0189 HHCS:5/16-18:3.00:GR5:STD £4.62 Add
007 710-0651 SCR:B:#10-16:0.625:HEX 710-0436 £10.32 Add
008 710-05067 SCR:C:#12-24:2.000:HXINDWSH £4.29 Add
009 710-0599 HEX TT SCREW 1/4-20 £4.95 Add
010 710-0604A SCREW £3.62 Add
011 710-0607 SELF TAP SCREW £4.71 Add
012 710-0932 SCR:CRG:1/4-20:1.00:GR1 £5.70 Add
013 710-1682 SCR:M8-1:25.00 LG:DIN 933 £2.98 Add
014 710-3144 SCREW £3.28 Add
015 711-04036 FERRULE £9.37 Add
016 712-04063 FLANGED NUT £4.20 Add
017 712-04064 NUT FLGLK 1/4 20 GRF NYLON £6.63 Add
018 712-0431 NUT £3.20 Add
019 712-0714 NUT:FLGLK:M8-1.25 DIN 6926 £3.80 Add
020 712-3066 NUT:HEX:1/2-20 GR5 £3.31 Add
021 714-0111 COTTER PIN £3.20 Add
022 714-0115 COTTER PIN £3.42 Add
023 714-04040 PIN-COTTER £4.38 Add
024 719-0534 SUPPORTING BRACKET £63.26 Add
025 725-05050 SW:SPR:SNGL MT £7.13 Add
026 726-0214 PUSH CAP £5.36 Add
027 726-0233 NUT:PUSH:.25 ID X .50 OD £3.58 Add
028 726-04089 PLT:INSL:SW £5.00 Add
029 731-07514 SPCR:2 3/8 x 1 5/16:HYDRO:700 £13.56 Add
030 731-1449A FAN:BLADE:10 £22.24 Add
031 732-0209 EXTENSION SPRING £8.58 Add
032 732-0429A SPRING EXTENSION £8.73 Add
033 732-0716D SPRING EXTENSION £14.42 Add
034 732-3118 SPR:EXTN:.375 OD x 1.44 LG £13.84 Add
035 735-0239A FOOT PAD £8.75 Add
036 735-04113 PAD:FOOT:REV £11.55 Add
037 736-0258 WASHER:FLAT:.385 X 1.0 X.135 £3.47 Add
038 736-0272 WASHER:FL:.510 X 1.000 X .060 £3.16 Add
039 736-0300 WASHER £2.81 Add
040 736-0685 WASHER £3.26 Add
041 736-0773 WASH:FLAT:16x22x1 DIN 988 £2.93 Add
042 736-0921 WASHER:LOCK:1/2:REGULAR DUTY £2.98 Add
043 736-3008 WASH:FL:.344 X.750 X.120 £3.49 Add
044 738-0372B COLLAR £5.64 Add
045 741-0998 BRG:BALL:19mm x 40mm OD x 12mm £30.41 Add
046 741-3065B BRG HEX FLG .628 ID SPLIT £6.54 Add
047 747-05253 ROD:CONT:HYDRO HG T2 700 £29.94 Add
048 747-05265 ROD:CNTRL:REV:HYDRO £15.86 Add
049 747-05298 ROD:CONT:BY-PASS:HYDRO:700 £13.36 Add
050 747-05313 ROD:BRAKE:700:HYDRO T2 £26.91 Add
051 754-04258 V BELT £102.89 Add
052 756-05234 IDLER PULLEY 2" DIA £25.60 Add
053 756-1052 PULLEY TRANS 4.50 DIA £33.76 Add
054 756-3054A PULLEY IDLER £72.08 Add
055 783-04536B-S BRKT:PED:SUPT: LT-5 £14.02 Add
056 783-05809B BRKT:MT:CNTRL N/A POA
057 783-05867 BRKT:MT:REV:PED:AUTOMATIC N/A POA
058 783-06563 BRKT:MT:RH:HYDRO:HG T2 N/A POA
059 783-06577 BRKT:MT:RH:HYDRO:lHG T2 700 N/A POA
060 783-06582 PLT:SPR:ANCHOR:HYDRO 700 N/A POA