CubCadet spares
  •  Home
  •  Spares
    • Battery mower
    • Lawn Edger
    • Electric mower
    • Electric mower self propelled
    • Garden tractors
    • Lawn tractors
    • Leaf blower, Blower vac
    • Petrol mower
    • Petrol mower self propelled
    • Petrol verticutter
    • Snow throwers
    • String trimmer
    • Tillers
  •  My account
    • Login
  •  News
  •  Contact us

Search by Model Number

Search by Part Number

Model and Serial Numbers

Click here for guide
  • Home
  • YARD-MAN Spares
  • Lawn tractors
  • 11-5-76
  • 136C561C643 (1996)
  • List
  • Grid

136C561C643 (1996)

MTD006325
Front axle

MTD006324
Frame, Seat, Fender

MTD006044
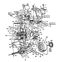
Drive system, Wheels

MTD006916
Gearbox

MTD006049
Deck lift

MTD007330
Mowing deck C (30"/76cm)

MTD006608
Wiring diagram Vanguard

Quick links

About us News Privacy T & C's Cookies Site map

YARD-MAN spares

Battery mowerLawn EdgerElectric mowerElectric mower self propelledGarden tractorsLawn tractorsLeaf blower, Blower vacPetrol mowerPetrol mower self propelledPetrol verticutterSnow throwersString trimmerTillers

YARD-MAN New Equipment

Contact us

Criftin Enterprise Centre
Unit 8
Oxton Road
Epperstone
Nottingham
NG14 6AT
United Kingdom
0115 920 0099
Business Hours
Monday — Friday: 9:00am - 4:00pm
Saturday — Sunday: Closed
Bank holidays: Closed
worldpay worldpay
© 2026 yardmanspares.co.uk